氣體滅火知識
消防維保
主機維修
聯系我們
- 聯系人:郭經理
- 傳真:010-69552656
- 電話:400-0346-119
- 電話:010-57113119
- 郵箱:506665119@qq.com
- 地址:北京通州區新華北路117號
海灣控制模塊GST-LD-8301常見設備接線
來源:海灣消防設備 時間:2018-10-18 11:48:05




1、模塊輸入端如果設置為“常開檢線”狀態輸入,模塊輸入線末端(遠離模塊端)必須并聯一個4.7KΩ的終端電阻。
2、模塊輸入端如果設置為“常閉檢線”狀態輸入,模塊輸入線末端(遠離模塊端)必須串聯一個4.7KΩ的終端電阻。

1、以上兩種常規接法為產品說明書中的標準接法,請按照接線圖接線,一旦接錯線,會有風險。
2、實際使用有源輸出時,經常把D1/D2其中之一與NO/COM其中之一短接,D1/D2與NO/COM中剩余的兩個端子作為輸出控制外部設備;其余端子與圖紙接法一致。


1、由于聲光、警鈴等設備無反饋信號,故模塊的反饋端I、G接4.7KΩ終端電阻。
2、注意用編碼器將模塊設置成自反饋,模塊電源端和信號端均為無極性。
3、對于控制需要區分正負極性的聲光警報器,還需要注意區分正負極性,不能接反。
4、點擊查看:GST-LD-8301輸入/輸出模塊怎么設置自反饋?

1、模塊電源端和信號端均為無極性,排煙口無源常開反饋信號接入模塊的輸入端。
2、終端電阻接在排煙口反饋端,而非模塊I、G端子,否則失去檢線作用。
3、排煙口平時常閉,發生火災時,煙、溫感探頭發給控制中心火警信號,控制中心送DC24V電源給排煙口執行器,使排煙口迅速打開,也可手動打開進行排煙。
4、風口控制有種特殊情況,就是控制端也要檢線,有的風口脫扣動作后,會自動斷開控制回路,模塊檢測不到線圈電阻就會報故障。所以這種執行器要在控制端并聯4.7KΩ電阻。

1、模塊的反饋端I、G需接4.7KΩ終端電阻。
2、由于海灣直接控制盤可以進行自動聯動,故多數情況下排煙風機、送風機、消防泵、噴淋泵、雨淋電磁閥、水幕電磁閥、預作用電磁閥等需要直接手動控制的設備只需要連接直接控制線路即可。

1、該模塊電源端和信號端均為無極性,無源常開反饋信號接入模塊的輸入端,否則就失去了檢線作用。
2、電梯聯動受控信號并非都為無源,現場以具體設備參數確定,建議加直流24V繼電器轉換一下。
3、部分電梯控制箱因其采用比較器或邏輯電平類輸入、啟動電流微小,容易受到線路或空間干擾自身產生誤動作,不建議使用。如果必須使用,應參照被控設備的說明書在被控設備內并接電阻(一般可以在控制端和控制地間加4.7KΩ電阻)或在模塊和被控設備間加中間繼電器解決。



1、8301當做8300使用時D1、D2也是要連接24V電源的,否則會報故障。模塊電源端和信號端均為無極性。
2、海灣8301模塊輸出端具有檢線功能,如果不接負載會報故障,所以利用這種接法在輸出端接一個電阻作為模擬負載,輸入端直接連接外部需要反饋信號的設備。
3、在設備動作后,8301可能會有啟動現象,負載電阻容易出現老化或者擊穿現象。
4、在實際工程中不建議將8301直接當做8300使用。


1、海灣8301模塊可以替代海灣的8303模塊控制防火卷簾,兩個8301模塊相當于1個8303模塊。
2、疏散通道上設置的防火卷簾由防火分區內任兩只獨立的感煙火災探測器或任一只專門用于聯動防火卷簾的感煙火災探測器的報警信號聯動控制防火卷簾下降至距樓板面1.8m處;任一只專門用于聯動防火卷簾的感溫火災探測器的報警信號聯動控制防火卷簾下降到樓板面。
3、非疏散通道上設置的防火卷簾由防火卷簾所在防火分區內任兩只獨立的火災探測器的報警信號,作為防火卷簾下降的聯動觸發信號,并聯動控制防火卷簾直接下降到樓板面。
4、部分防火卷簾控制箱因其采用比較器或邏輯電平類輸入、啟動電流微小,容易受到線路或空間干擾自身產生誤動作,不建議使用。如果必須使用,應參照被控設備的說明書在被控設備內并接電阻(一般可以在控制端和控制地間加4.7KΩ電阻)或在模塊和被控設備間加中間繼電器解決。


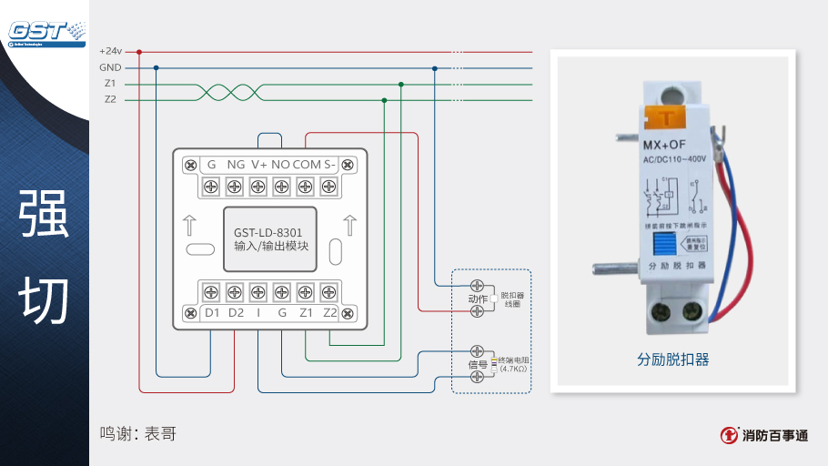
1、模塊電源端和信號端均為無極性,電阻不可直接接在模塊I、G端。
2、利用繼電器實現控制強電(如交流220V)設備,此接線重點在于繼電器的應用,繼電器需要根據所接設備的具體參數進行選型,管路布置依據項目設計圖紙為準。

1、模塊電源端和信號端均為無極性。
2、實現對現場大電流(直流)啟動設備的控制,對交流220V設備的轉換控制。
3、8301配合8302模塊控制現場強電設備,以防由于8301直接控設備造成將交流電源引入控制系統總線的危險。此處8302模塊就相當于繼電器的作用。


1、信號總線Z1、Z2采用阻燃RVS型雙絞線,截面積≥1.0mm²。
2、電源線D1、D2采用耐火BV線,截面積≥1.5mm²。
3、G、NG、V+、NO、COM、S-、I采用阻燃RV線,截面積≥1.0mm²。




