消防改造
消防維保
主機維修
聯系我們
- 聯系人:郭經理
- 傳真:010-69552656
- 電話:400-0346-119
- 電話:010-57113119
- 郵箱:506665119@qq.com
- 地址:北京通州區新華北路117號
北大青鳥消防剩余電流式電氣火災探測器報警判斷與排查
來源:消防維保 時間:2018-03-03 11:48:52
在安裝完剩余電流式電氣火災探測器開通調試時,往往會出現因配電線路布設、接線等問題造成的探測器檢測電流大而報警的問題。一方面可能線路存在嚴重漏電,這就必須高度重視查找和消除隱患;另一方面可能所監測電氣線路已超出-大電流泄露值,需重新合理選擇探測器監測位置(下一級配電箱);但多數原因是由于被檢測線路穿過互感器時不規范導致主機報警,此時應盡快進行線路查看并糾正,消除誤報警情況。
1.配電箱的組成部件

2.產生漏電的常見情況
1)互感器零線方向穿反;
解決辦法:檢查零線,搞清楚出線方向,正確穿過互感器。

2)互感器用戶側負載零線由于破皮、絕緣老化、接頭包裹不嚴等原因導致對地絕緣不良。

3)互感器用戶側零線重復接地;或零線、地線混用,造成人為漏電。

4)互感器用戶側零線有負載接到互感器前的相線,即保護區域以外的其他線路與用戶側“共零”。這種為了敷設方便的不規范線路安裝非常常見。哪怕只是走廊或強電電井里的幾個燈泡,就足以造成探測器報警(一個25W的燈泡產生的電流在200mA左右)。

5)同一配電箱內,不同路監測的電流互感器后線路串電(包括火線和零線)。

6)不同配電箱出線的零線跨區混用,不同配電箱出線的零線并接或通過其他途徑間接搭接。

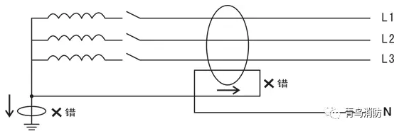
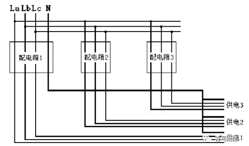
7)剩余電流探測器安裝選點錯誤,如下圖:只有總進線處及供電1、2、3路可以裝設漏電保護裝置(并要確保它們后面都是各自獨立的),其他位置都無法裝設,包括所有三個配電箱。

3.漏電報警檢查方法
電氣火災監控系統雖屬于弱電控制系統,但是其監控對象卻大部分都是AC220V或AC380V的供電線路,因此調試人員必須提高安全意識,需在專業強電施工人員在場的情況下進行相應的漏電排查,盡量指導專業強電施工人員正確的排查方法由其自行操作,避免觸電慘劇的發生!!!
1)觀察法:檢查是否將LA、LB、LC與N線或L與N線是否同時穿過互感器,配電箱內或附近有無用電設備(如強電井內燈泡)。
2)儀表測量法:在不停電情況下,利用鉗形漏電電流表從電流互感器安裝點以后逐級逐條線路檢測。測試各配電箱PE線上的漏電流,與實際負載正常漏電流(一般的用電設備,如燈、家用電器,按每個0.5mA計算)進行比較。并可對負載線路逐段進行測試檢查,測試時也應將LA、LB、LC與N線或L與N線同時套入。

3)分別斷電法:將配電箱輸出的空開逐個斷開,觀察探測器或監控器顯示的漏電電流值,當電流恢復正常時,找出有問題的回路進行詳細檢查。
4)停電測量法:用萬用表逐級逐條線路分別檢測相線和中性線對地絕緣電阻值,阻值應在0.5M以上,通常在4~5M左右。
5)重復接地或接線故障的檢查方法:N線與PE線搭接/錯接;N線絕緣損壞。逐個檢查配電箱(本級及前級)是否有N線(藍線)接至接地排、PE線(黃綠線)接至接零排的情況。對于同一區域有多個雙電源配電箱的工程,當出現斷開一個配電箱的總斷路器,另一配電箱探測器報警的情況,一般是PE線(黃綠線)接至接零排造成。
北京消防維保范圍
-
一、檢查建筑消防設施電源開關、管道閥門、均應指示正常運行位置,并標識開、關的狀態;對需要保持常開或常閉狀態的閥門,應當采取鉛封、標識等限位措施。
二、檢查消防供配電設施:消防電源工作狀態,自備發電設備狀況,消防配電房、發電機房環境,消防電源末端切換裝置工作狀態。
三、檢查消防供水設施:消防水池外觀,消防水箱外觀,消防水泵及控制柜工作狀態,穩壓泵、增壓泵、氣壓水罐工作狀態,水泵結合器外觀、標識,管網控制閥門啟閉狀態,泵房工作環境。
四、消防系統中各子系統的服務工作范圍

